الکتروموتور تیپ 1/8 اسب بخار
| فرکانس هرتز | ولتاژ | جریان نامی آمپر | سرعت در بار نامی دور در دقیقه | کلاس حرارتی | قدرت خروجی (KW) | تیپ موتور |
|---|---|---|---|---|---|---|
| 50 | 220 | 0.9-0.65 | 900-700 | B | 1/8-1/20 |
PSC80/4-6P |
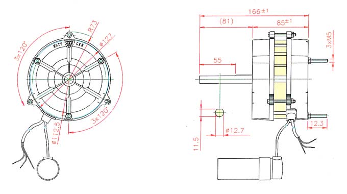
مشاهده مشخصات ابعادی الکتروموتور

| فرکانس هرتز | ولتاژ | جریان نامی آمپر | سرعت در بار نامی دور در دقیقه | کلاس حرارتی | قدرت خروجی (KW) | تیپ موتور |
|---|---|---|---|---|---|---|
| 50 | 220 | 0.9-0.65 | 900-700 | B | 1/8-1/20 |
PSC80/4-6P |

![]()
هدف اصلی 'گروه صنعتی جامکو صنعت تامین، تجهیز و خدمترسانی به صنایع جمهوری اسلامی ایران و توسعه زیر ساختی صنایع کشور می باشد و با جلب رضایت مشتریان خود، به این مهم دست یافته است.
برای ارتباط با گروه جامکو صنعت از طریق خطوط زیر اقدام کنید :
info (@) jamcosanat.com
02166962067 / 02166476913
تهران، میدان حسن آباد ،کوچه شیرازی آریا ، پلاک14


