الکتروموتور کولری فاز شکسته الکتروژن
| تیپ موتور | تعداد فاز | توان خروجی | سرعت | جریان | کلاس حرارتی | درجه حفاظت | جهت گردش | یاتاقان | |||
|---|---|---|---|---|---|---|---|---|---|---|---|
| کند | تند | کند | تند | کند | تند | ||||||
| R.p.m | R.p.m | A | A | ||||||||
| EM140 | 1 | 1/12 HP | 1/4 HP | 950/1140 | 1425/1725 | 1.25/1.2 | 2.25/1.9 | B | 22 | C.W | بلبرینگ |
| EM130 | 1 | 1/10 HP | 1/3 HP | 950/1140 | 1425/1725 | 2.1/1.8 | 4/3.3 | B | 22 | C.W | بلبرینگ |
| EM120 | 1 | 1/6 HP | 1/2 HP | 950/1140 | 1425/1725 | 2.8/2.3 | 5.7/4.7 | B | 22 | C.W | بلبرینگ |
| EM340 | 1 | 1/4 HP | 3/4 HP | 950/1140 | 1425/1725 | 3.2/2.8 | 6/5.5 | B | 22 | C.W | بلبرینگ |
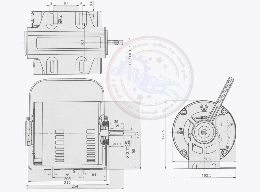
مشاهده مشخصات ابعادی الکتروموتور





